Wilwood Master Cylinder Kit, 1 Inch Bore, for use w/ power booster, Universal Fit
Wilwood Master Cylinder Kit, with remote reservoirs and 1 inch diameter bore, can be made to work in 64-73 Mustang custom brake applications
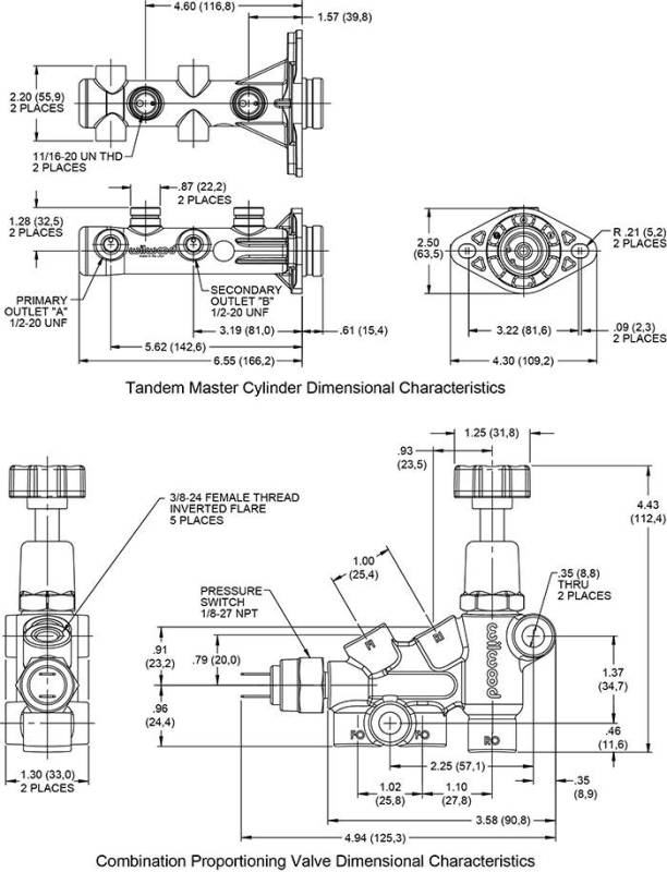
Wilwood's new 1 inch bore Remote Tandem Master Cylinder Kit with Mounting Bracket and Hardware, Fluid Tubes and Combination Proportioning Valve can be used with power brake systems and represent the latest refinements in brake pressure actuation and fluid control. The unique design makes this master cylinder combination is an option for 1964-1973 Ford Mustangs that have limited space between the firewall and motor especially for Modular Motors like the 4.6 and 5.0 Coyote engine swaps with limited clearances.***PLEASE NOTE: This is NOT a direct replacement for the 65-73 Mustang and is a universal master cylinder kit. It is designed to be used used in a custom braking system. See Dimensions of Master Cylinder. For optimal space savings consider using a 9 In Single Diaphragm (Pancake Style) Booster.
Sold as KIT
Technical Notes
Please Note:
- The master cylinder works great for disc brake applications, however; all drum brake applications require an inline 10 lb residual pressure valve.
- On 4 wheel disc brake applications, where the fluid reservoir is mounted higher than the caliper bleed screws, a risidual pressure valve is usually not required.
- On disc brake applications where the fluid reservoir is mounted lower than the caliper bleed screws screws may require a 2 lb residual pressure valve. This can prevent fluid drain back and excessive pedal travel on inital engagement.
***Option for Coyote Conversion Applications where space is tight between the firewall and the motor. This is a UNIVERSAL Master cylinder kit and may require some accommodations to work with your booster and brake system. It is up to the installer to make sure the brake pedal and booster used is optimal for use with this master cylinder.
| Master Cylinder: | 1" Bore | Tandem Outlet | 2 Outlets | Aluminum/Plastic |
| Reservoir: | Remote | 7.0 oz | 12.6 cu in |
| Additional Dimensions (See Image Above) | ||
|
||
|
||
|
||
|
||
|
||
|
||
|
||
|
Special Notes
Wilwood's new 1" bore Remote Tandem Master Cylinder Kit with Mounting Bracket and Hardware, Fluid Tubes and Combination Proportioning Valve is typically designed for power brake booster and represent the latest refinements in brake pressure actuation and fluid control.
The combination proportioning valve substantially simplifies wiring and brake proportioning adjustments on vehicles with custom brake systems. The combination block maintains full isolation between front and rear fluid circuits and is specifically designed to accompany the Tandem Chamber Master Cylinder. The combo valve and bracket are black E-coated for a performance look and long lasting durability. Stainless steel fluid tubes are precision bent with pre-installed plated steel tube nuts for a simple bolt-on installation between the Combination Proportioning Valve and the Wilwood Tandem Master Cylinder. Stainless steel button head fasteners thread into the bracket for a simple installation and years of durable, rust-free performance. Simply connect the fluid lines, bleed the system, and you're finished.
Why 1" Bore and not 7/8 or 15/16?
Details
- WEB-261-14251
- WEB-261-14251
- Wilwood Engineering Brakes
- New
Shipping Information
- Item Requires Shipping
- 5.0 lbs.
- W10.0000” x H8.0000” x L10.0000”
- FREE SHIPPING on orders *$199 or more
Customer Reviews
Total Reviews (0)
You must login to post a review.





Write the First Review!